产物列表PRODUCTS LIST
今天我们了解一下风机导风圈如何安装?
导风圈作为风机的重要配件,可以优化气流,使空气分布更加均匀;减少阻力,减少涡流和湍流,减低能耗和噪音;作为一个分立部件,需要正确的安装才能发挥它的最大功效。
很多客户购买了我们的导风圈,但是不会安装或者忽略了一些细节,今天我们给大家展示一下。
以常卖的用于FFU行业的R4E355AK0505为例,安装流程如下。

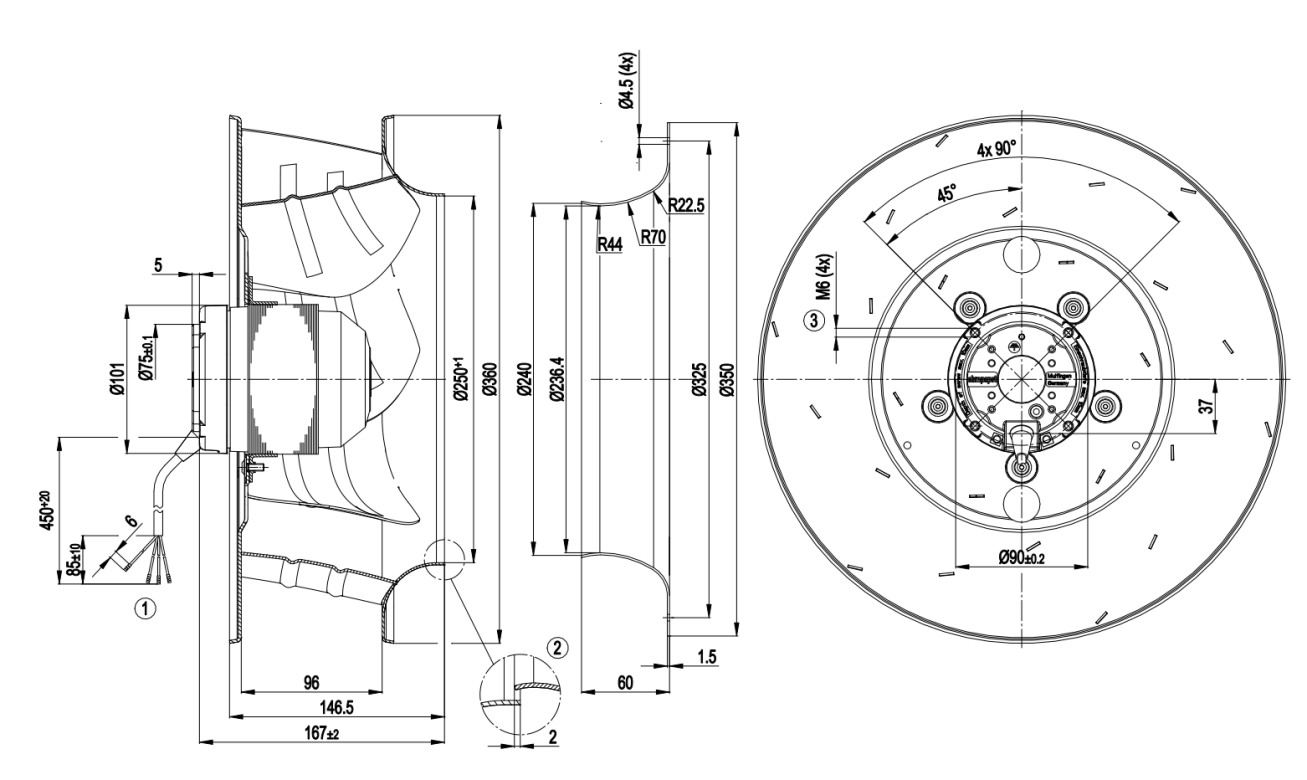
风机定子有4个M6的固定孔,孔深为16mm,选择螺栓时注意该尺寸,避免风机安装不牢固。
将导风圈的小口径面向叶轮进风口,并嵌入2mm深度,不同尺寸的离心风机对适配的导风圈尺寸也是有要求的,无论是进风口内径还是导风圈高度,都对风机的进风效果和噪音等产生影响,因此需要搭配优尺寸的导风圈。